• 2025年第55卷第S1期文章目次
    全 选
    显示方式: |
    • >综述
    • 空间液体润滑材料研究进展

      2025, 55(S1):1-8. DOI: 10.12044/j.issn.1007-2330.2025.S1.001

      摘要 (67) HTML (34) PDF 756.17 K (661) 评论 (0) 收藏

      摘要:随着航天技术和空间领域的蓬勃发展,空间润滑材料也被提出更高要求。液体润滑材料因具有较小摩擦因数、长寿命、低噪声等优势,在空间运动部件如轴承、齿轮中被广泛应用。但是,面对空间中如高真空、高低温变交、原子氧、辐照和微重力等苛刻环境,液体润滑剂也面临挥发损失、氧化侵蚀、爬移泄漏等挑战。本文综述了目前空间中常用的液体润滑材料,包括全氟聚醚、硅烃、硅油及多烷基化环戊烷等,同时还阐述了新型液体润滑材料如磁流体、液态金属和低共溶剂等,并分析讨论了空间环境对液体润滑剂的影响机制,同时还探讨了关于未来发展趋势,如近零磨损、自适应及智能润滑材料等,提出了空间液体润滑剂的表征手段和分析方法,可为空间用润滑材料的研究提供方向。

      • 0+1
      • 1+1
      • 2+1
      • 3+1
      • 4+1
      • 5+1
    • 面向航天的面心立方高熵合金增材制造研究进展

      2025, 55(S1):9-17. DOI: 10.12044/j.issn.1007-2330.2025.S1.002

      摘要 (44) HTML (22) PDF 1.45 M (664) 评论 (0) 收藏

      摘要:在各种新兴的先进工程材料中,面心立方结构高熵合金因比强度高、低温韧性好、耐磨损和耐腐蚀等优点在航天的多个领域内极具应用潜力。激光增材制造技术因可制备复杂结构、加工过程高度可控等特点,被广泛用于高熵合金材料零部件的生产。本文主要介绍了激光增材制造面心立方高熵合金的研究进展,对激光增材制造工艺,如选区激光熔化成形(SLM)和激光熔化沉积技术(LMD)等进行了系统性的总结,并且对激光增材制造面心立方高熵合金的显微组织与力学性能、激光增材制造过程中的缺陷及其形成机理进行了总结并分析。此外,对热等静压、时效、退火、热机械加工和均质化等后处理工艺进行了阐述。最后,对激光增材制造面心立方高熵合金部件一体化应用中面临的机遇和挑战进行了讨论和展望。

      • 0+1
      • 1+1
      • 2+1
      • 3+1
      • 4+1
      • 5+1
      • 6+1
      • 7+1
      • 8+1
    • 增材制造表面的胶接特性研究进展

      2025, 55(S1):18-24. DOI: 10.12044/j.issn.1007-2330.2025.S1.003

      摘要 (42) HTML (14) PDF 1.17 M (667) 评论 (0) 收藏

      摘要:增材制造(AM)技术因其高度的设计自由度和高效制造能力,已广泛应用于航空航天、生物医疗及汽车工业等领域。然而,增材制造部件的表面形貌、微观结构对胶接性能产生显著影响,限制了其在多材料集成和结构粘结中的应用。本文系统综述了增材制造表面的胶接特性,分析了表面粗糙度、微观组织及层状结构对粘结性能的影响,并重点探讨了优化胶接性能的策略,包括表面后处理和增材制造定制化结构设计。研究表明,通过合理控制AM工艺参数及表面改性,可显著提升胶接强度,为增材制造部件的高可靠性应用提供技术支撑。本文旨在为增材制造胶接技术的深入研究与工程应用提供理论依据和实践参考。

      • 0+1
      • 1+1
      • 2+1
      • 3+1
      • 4+1
      • 5+1
    • >计算材料学
    • 纤维金属层板矩形盒件拉深成形有限元模拟分析

      2025, 55(S1):25-33. DOI: 10.12044/j.issn.1007-2330.2025.S1.004

      摘要 (21) HTML (26) PDF 2.29 M (660) 评论 (0) 收藏

      摘要:纤维金属层板凭借高比强度、高比模量及优异抗疲劳性能,在航空航天领域具有广阔应用前景,但成形过程中存在的金属断裂、纤维屈曲及层间分层等缺陷制约了大规模应用。本研究聚焦于纤维金属层板的成形性能,以TA2/CF/PEEK层板为研究对象,采用有限元仿真方法模拟矩形盒件的拉深过程,揭示了拉深过程的成形机理。研究发现当纤维铺层取向为(-45/45/-45/45°)时,成形件呈现出较为均匀的应变分布特征,其胶膜层的应力集中效应较其他取向明显减弱;各组分极限减薄率最小,且厚度分布均匀性均处于最优水平。同时结合拉深实验验证了仿真结果的可靠性,证实该铺层方案可有效提升矩形盒件成形质量,为纤维金属层板结构优化设计提供理论了依据。

      • 0+1
      • 1+1
      • 2+1
      • 3+1
      • 4+1
      • 5+1
      • 6+1
      • 7+1
      • 8+1
      • 9+1
      • 10+1
      • 11+1
      • 12+1
    • 基于机器学习的异质界面合金化设计机理研究

      2025, 55(S1):34-39. DOI: 10.12044/j.issn.1007-2330.2025.S1.005

      摘要 (53) HTML (29) PDF 989.01 K (657) 评论 (0) 收藏

      摘要:针对复合材料界面合金化设计中有效合金元素筛选缺乏理论指导的问题,本文基于第一性原理计算和机器学习方法,筛选合金元素影响异质界面性能的重要特征,构建界面合金化趋势预测模型,加速复合材料的合金化设计研究。以二硼化钛(TiB2)颗粒增强铝合金(Al)复合材料为例,构建系列TiB2(0001)/Al(111)共格和TiB2(0001)/Al(001)半共格界面模型。结果表明:将系列合金原子掺入界面模型后,第一性原理计算结果表明,两种界面的界面能变化趋势近乎相反,尤其是Mg、Ca、Sc、Y、Zr、Ce、Hf原子掺入后,共格界面的界面能会大幅下降,而半共格界面的界面能大幅增加;其次,机器学习分析结果表明界面能的变化规律在共格界面中以合金原子的尺寸效应,即合金原子的剪切模量、Voronoi体积、原子半径为主;而在半共格界面中则以合金原子的电子效应,即合金原子的功函数、电负性和原子电荷为主。合金元素对界面能的影响主要取决于界面结构和原子性质,且通过合金原子的Voronoi 体积、剪切模量和电负性可以快速预测出合金元素对异质界面性能的影响程度。

      • 0+1
      • 1+1
      • 2+1
      • 3+1
      • 4+1
    • 有限元仿真在复合材料薄壁件装配中的应用

      2025, 55(S1):40-47. DOI: 10.12044/j.issn.1007-2330.2025.S1.006

      摘要 (25) HTML (11) PDF 1.71 M (651) 评论 (0) 收藏

      摘要:某航天飞行器由复合材料骨架组件和蒙皮组合装配而成。由于复合材料蒙皮成型加工后应力释放,导致其偏离理论型面,在与复合材料骨架组件装配时,二者无法匹配协调,需要施加装配外力使蒙皮与骨架贴合以实现装配。然而,过大的装配力带来的预应力会进一步影响航天飞行器的性能。为了确保飞行器的装配效果,提出一种面向复合材料的“几”字形薄壁蒙皮零件装配工艺优化方法。通过扫描的蒙皮点云数据,逆向建模构建蒙皮几何模型,再以该几何模型为基础建立有限元仿真模型,通过与多工况加载试验结果对比,反复迭代优化有限元仿真模型,最终基于优化的有限元仿真模型确定“几”字形复合材料的薄壁蒙皮零件最优装配加压顺序为先内后外,这样蒙皮与仿形底托的贴合状态更紧密。

      • 0+1
      • 1+1
      • 2+1
      • 3+1
      • 4+1
      • 5+1
      • 6+1
      • 7+1
      • 8+1
      • 9+1
      • 10+1
      • 11+1
      • 12+1
      • 13+1
      • 14+1
      • 15+1
      • 16+1
      • 17+1
      • 18+1
      • 19+1
      • 20+1
      • 21+1
      • 22+1
      • 23+1
      • 24+1
      • 25+1
      • 26+1
      • 27+1
      • 28+1
      • 29+1
      • 30+1
      • 31+1
      • 32+1
      • 33+1
    • >新材料新工艺
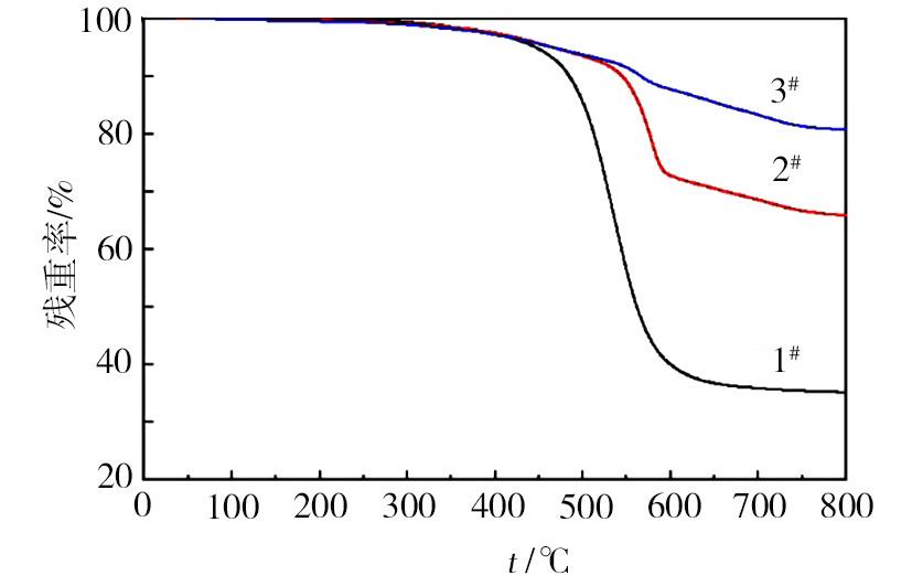
    • 轻质抗烧蚀防热透波涂层材料的制备及性能研究

      2025, 55(S1):48-53. DOI: 10.12044/j.issn.1007-2330.2025.S1.007

      摘要 (26) HTML (17) PDF 1.37 M (656) 评论 (0) 收藏

      摘要:抗烧蚀透波防热涂层在新一代飞行器天线窗热防护方面具有重要作用,然而现有透波防热涂层防热性能不足、缺乏对气动热环境适应性以及无法室温固化等限制了它们的应用。为解决这一问题,本文研发了一种室温固化轻质抗烧蚀透波防热涂层材料。以有机硅树脂为基体、以六方氮化硼(h-BN)为成瓷填料,通过改变h-BN的比例,制备了新型涂层材料。利用X射线衍射(XRD)、扫描电子显微镜(SEM)、热重分析(TG)、万能试验机、电弧风洞等探究了h-BN的加入对涂层材料相组成、热稳定性、力学性能及抗烧蚀透波性能的影响。结果表明,12份h-BN的添加大大提高了涂层的高温结构稳定性,显著提升了涂层的综合性能。获得的涂层密度约为0.63 g/cm3、断裂伸长率为20%~30%、介电损耗角正切低于0.025,具有轻质、强韧、低介电等优点,能够实现兆瓦级高热流、面温1 200 ℃以上热环境的抗烧蚀、防热、透波使用需求。

      • 0+1
      • 1+1
      • 2+1
      • 3+1
      • 4+1
      • 5+1
      • 6+1
      • 7+1
      • 8+1
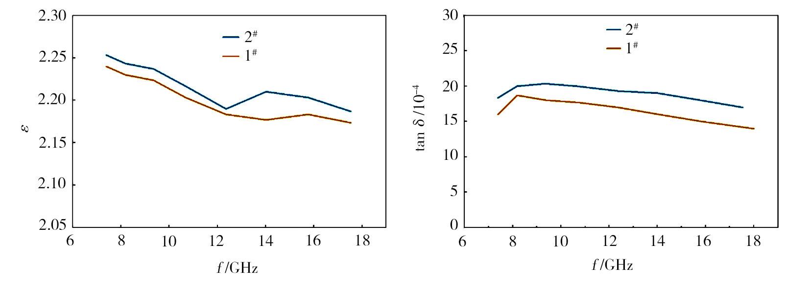
    • 碳纤维/芳纶纤维复合电磁超材料的设计及吸波性能研究

      2025, 55(S1):54-58. DOI: 10.12044/j.issn.1007-2330.2025.S1.008

      摘要 (26) HTML (14) PDF 1.19 M (658) 评论 (0) 收藏

      摘要:旨在解决航空航天装备轻量化隐身的技术难题,提出了一种基于碳纤维/芳纶纤维复合的多层电磁超材料创新结构。通过多层级阻抗匹配设计,在3.3 mm极薄厚度下达成宽频高效吸收。通过分层制备工艺,芳纶纤维增强环氧树脂复合材料作为介质材料,碳纤维增强环氧树脂复合材料作为导电材料构建超材料功能层。采用弓形法表征了样件在2~18 GHz频段的吸波性能,该多层复合超材料样件在整个优化频段中共有2个吸收峰,分别位于7.03 GHz和9.84 GHz,最大平板反射率为-18.82 dB。同时该样件展现出显著的方向敏感特性——当样件方向从0°变为90°时,平板反射率抬升3 dB。该研究成果可为新一代轻量化隐身装备的研制提供兼具理论创新与工程应用价值的技术途径。

      • 0+1
      • 1+1
      • 2+1
      • 3+1
      • 4+1
      • 5+1
      • 6+1
      • 7+1
      • 8+1
      • 9+1
      • 10+1
      • 11+1
      • 12+1
      • 13+1
      • 14+1
      • 15+1
      • 16+1
      • 17+1
      • 18+1
      • 19+1
      • 20+1
      • 21+1
    • 微坑阵列调控TA2/PEEK/CF层板热残余应力的机理与优化研究

      2025, 55(S1):59-72. DOI: 10.12044/j.issn.1007-2330.2025.S1.009

      摘要 (23) HTML (11) PDF 2.70 M (655) 评论 (0) 收藏

      摘要:针对TA2/PEEK/CF层板在层间构筑微坑阵列后热残余应力的分布规律展开研究,通过热释放实验与有限元模拟相结合的方法,系统分析了微坑深度、直径及圆心距对弯曲成形前后不同区域热应力的影响机制。结果表明:弯曲前层板的热残余应力随微坑深度增加呈现先减小后增大的趋势,微坑圆心距减小可显著降低热应力,而微坑直径的影响较小。热应力主要源于材料热膨胀系数差异,且对层板厚度方向变化更为敏感。弯曲后塑性变形区域的热残余应力随微坑圆心距减小而增大,微坑深度与直径的影响相近。微坑结构虽提高成形精度,但塑性变形量的增加导致局部热应力升高。弹性变形区域的热残余应力随微坑圆心距减小而显著降低,微坑直径的影响更为突出,而微坑深度的增加则呈现先缓解后加剧的规律。最佳微坑参数(深度为60 μm、直径为550 μm、圆心距为730 μm)可有效降低弯曲前各层及弯曲后弹性变形区域的热残余应力,但塑性变形区域的金属层热应力有所上升。研究揭示了微坑结构通过调控应力分布与塑性变形行为对层板热残余应力的双重作用,为优化层板制备工艺及微坑参数设计提供了理论依据。

      • 0+1
      • 1+1
      • 2+1
      • 3+1
      • 4+1
      • 5+1
      • 6+1
      • 7+1
      • 8+1
      • 9+1
      • 10+1
      • 11+1
      • 12+1
      • 13+1
      • 14+1
      • 15+1
      • 16+1
      • 17+1
      • 18+1
      • 19+1
      • 20+1
      • 21+1
      • 22+1
      • 23+1
      • 24+1
      • 25+1
      • 26+1
      • 27+1
      • 28+1
    • 轻质承载热控卫星主结构设计及其增材制造研究

      2025, 55(S1):73-78. DOI: 10.12044/j.issn.1007-2330.2025.S1.010

      摘要 (29) HTML (10) PDF 1.81 M (640) 评论 (0) 收藏

      摘要:针对卫星主结构轻量化、高性能和热控功能的需求,本文从小卫星舱板结构优化、承载热控一体化设计和单机支架结构优化设计等方面进行研究,并通过仿真分析和力学试验进行验证。对激光增材制造卫星主结构舱板进行优化设计,通过采用低密度点阵结构进行轻量化,并将舱板作为一个整体零件直接制造,在减重的同时缩短了小卫星的研制周期;对激光增材制造卫星舱板进行承载热控一体化设计,将热管等热控设计融入舱板中进行结构热控协同的多学科优化设计,得到的一体化舱板大大减少了零部件数量,实现结构热控功能的一体化和轻量化;对激光增材制造卫星主结构开展力学仿真分析和试验验证,卫星主结构应力不超过140 MPa,对于激光增材制造的铝基复合材料屈服强度约为410 MPa,仍有较大安全裕度,表明卫星主结构力学性能可以满足指标要求。研究成果可实现新一代卫星轻量化、高承载和热控等性能及功能的全面提升,直接推动卫星结构制造技术的进步,提高经济和社会效益。

      • 0+1
      • 1+1
      • 2+1
      • 3+1
      • 4+1
      • 5+1
      • 6+1
      • 7+1
      • 8+1
      • 9+1
      • 10+1
      • 11+1
      • 12+1
      • 13+1
      • 14+1
      • 15+1
      • 16+1
      • 17+1
      • 18+1
      • 19+1
      • 20+1
      • 21+1
      • 22+1
      • 23+1
      • 24+1
    • 选区激光熔化成形Al-Mg-Er- Zr高强铝合金工艺

      2025, 55(S1):79-82. DOI: 10.12044/j.issn.1007-2330.2025.S1.011

      摘要 (23) HTML (14) PDF 895.31 K (629) 评论 (0) 收藏

      摘要:针对高强度铝合金结构件的增材制造需求,采用选区激光熔化(SLM)技术开展了Al-Mg-Er-Zr高强铝合金成形工艺研究,通过控制激光功率和扫描速度优化合金成形质量,并研究了热处理温度对铝合金力学性能的影响。结果表明,合理选择激光功率和扫描速度能够控制试样中的孔隙和缺陷数量,提升致密度,最优工艺参数组合为:激光功率280 W、扫描速度1.2 m/s、扫描间距0.08 mm、层厚0.03 mm。此外,随热处理温度升高,铝合金的抗拉强度和屈服强度增加,延伸率降低,当热处理温度为350 oC、保温时间2 h时,试样最大抗拉强度超过500 MPa,延伸率大于10%。最后,获得了外观成形良好、内部质量合格的SLM高强铝合金样件,为SLM成形高强铝合金在航空航天上的应用奠定了技术基础。

      • 0+1
      • 1+1
      • 2+1
      • 3+1
      • 4+1
      • 5+1
      • 6+1
      • 7+1
      • 8+1
    • 喷墨打印技术制造电磁超材料过程界面行为研究

      2025, 55(S1):83-86. DOI: 10.12044/j.issn.1007-2330.2025.S1.012

      摘要 (34) HTML (25) PDF 1.27 M (628) 评论 (0) 收藏

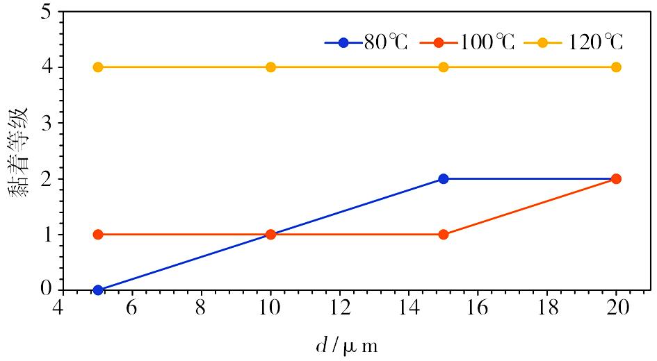
      摘要:针对喷墨打印技术制造电磁超材料过程中导电层与介电层界面难以控制的问题,通过改变介电材料基底打印温度(80、100、120 ℃)及导电层厚度(5、10、15、20 μm)等喷墨打印工艺参数,测试表征界面形貌、界面结合力、导电层电导性,以此来研究导电层与介电层界面行为的影响规律。结果表明:导电层-介电层的界面行为受到介电材料基底打印温度与导电层厚度多重因素的影响。介电材料基底打印温度持续升高会导致导电层电导性持续改善,但也会引起界面结合力先增强后减弱,这主要是由于过高温度会导致界面应力以及过度固化,因此当介电材料基底打印为100 ℃时能提供最优异的界面结合行为。导电层厚度的增加可导致导电性的持续增强,但整体上却引起界面结合力的减弱。当介电材料基底打印温度为100 ℃时,最优导电层厚度为15 μm,结合力分级为1级,电阻率为3.27 mΩ·cm。

      • 0+1
      • 1+1
      • 2+1
      • 3+1
      • 4+1
      • 5+1
    • 叠片式滑环绝缘隔片半固化成型工艺研究

      2025, 55(S1):87-92. DOI: 10.12044/j.issn.1007-2330.2025.S1.013

      摘要 (29) HTML (17) PDF 1.12 M (629) 评论 (0) 收藏

      摘要:空间柱式导电滑环的制造过程中,环体组件成型质量直接影响滑环的绝缘性能和电传输稳定性。为提升叠片式滑环环体组件在电镀过程中的密封性与绝缘可靠性,本文提出了一种基于绝缘隔片半固化处理的防浸渗工艺。该方法在组件组装前于隔片端面涂覆环氧胶膜并进行半固化处理,通过轴向加载形成预封闭结构。实验设计了专用涂覆工装,系统分析了膜层厚度控制与粘结性能,并通过清洗效率、EDS能谱分析和组件剖切实验验证该技术的有效性。结果表明,该工艺显著提升了组件电镀阶段的密封性能,清洗效率提高约5倍,环间绝缘值稳定提升至1 500 MΩ以上。研究结论认为,绝缘隔片半固化工艺具备良好工艺适应性和推广前景,为高压长寿命空间滑环提供了有效的制造工艺支撑,是一种提高高可靠空间滑环制造质量的有效技术路径。

      • 0+1
      • 1+1
      • 2+1
      • 3+1
      • 4+1
      • 5+1
      • 6+1
      • 7+1
      • 8+1
      • 9+1
      • 10+1
      • 11+1
      • 12+1
    • 空间盘式滑环电刷组件径向自动铆接工艺研究

      2025, 55(S1):93-97. DOI: 10.12044/j.issn.1007-2330.2025.S1.014

      摘要 (19) HTML (24) PDF 1.07 M (632) 评论 (0) 收藏

      摘要:为解决盘式滑环电刷组件手工铆接存在的质量一致性差、效率低问题,开展自动铆接工艺研究,提出了径向自动铆接的工艺方案。针对电刷组件产品设计了驱动平台和PLC控制系统,操作过程辅以专用装配工装,能实现多组电刷组件的自动铆接。工艺验证表明,径向自动铆接工艺能精确保证电刷组件的变形量和外观形貌要求,极大提升产品质量和工作效率,目前已在型号产品中得以应用。

      • 0+1
      • 1+1
      • 2+1
      • 3+1
      • 4+1
      • 5+1
      • 6+1
      • 7+1
      • 8+1
      • 9+1
      • 10+1
      • 11+1
      • 12+1
      • 13+1
      • 14+1
    • 基于正交试验的FDM 3D打印工艺参数研究

      2025, 55(S1):98-105. DOI: 10.12044/j.issn.1007-2330.2025.S1.015

      摘要 (34) HTML (11) PDF 2.13 M (623) 评论 (0) 收藏

      摘要:为了提高熔融沉积成型工艺打印件的尺寸精度、力学性能并减少打印时间成本,利用Creo Parametric 2.0软件设计了尺寸精度及力学试样的三维模型,并进行切片及打印。结合正交试验分析,研究了打印温度、打印速度、打印层厚对PLA及PETG-ESD鼓形试件打印尺寸精度的影响,得出打印速度为80 mm/s、打印温度为210 ℃、打印厚度为0.25 mm此组合尺寸误差是最小的结论。在上述组合下对力学试件进行拉伸及压缩试验,实验结果表明,蜂窝状填充方式在三者中拉伸强度及断裂力均为最高;当填充率增加时,试件的拉伸强度和弹性模量都有显著的提高;当模型壁厚增加时,试件的拉伸强度和弹性模量均有所提高。在压缩试验中,PETG-ESD材料比PLA强度要大。

      • 0+1
      • 1+1
      • 2+1
      • 3+1
      • 4+1
      • 5+1
      • 6+1
      • 7+1
      • 8+1
      • 9+1
      • 10+1
      • 11+1
      • 12+1
      • 13+1
      • 14+1
      • 15+1
      • 16+1
      • 17+1
      • 18+1
      • 19+1
      • 20+1
      • 21+1
      • 22+1
      • 23+1
      • 24+1
      • 25+1
      • 26+1
      • 27+1
    • >测试分析
    • 贮箱长筒段搅拌摩擦焊纵缝相控阵超声在位自动检测技术

      2025, 55(S1):106-112. DOI: 10.12044/j.issn.1007-2330.2025.S1.016

      摘要 (19) HTML (26) PDF 1.97 M (615) 评论 (0) 收藏

      摘要:针对新型运载火箭长筒段纵缝相控阵超声检测存在的效率低、一致性差、结果追溯难、存在登高作业安全风险等问题,本文选取长筒段为应用对象,开展贮箱长筒段搅拌摩擦焊纵缝相控阵超声在位自动检测技术研究,通过自动检测系统设计研制和自动检测试验验证。结果表明:检测系统突破了在位自动检测技术,满足覆盖0~7.5 m高度筒段纵缝双探头同步在位自动扫查,灵敏度达到Φ0.4 mm当量孔,实现了长筒段纵缝内部质量的高效、安全、精确检测。

      • 0+1
      • 1+1
      • 2+1
      • 3+1
      • 4+1
      • 5+1
      • 6+1
      • 7+1
      • 8+1
      • 9+1
      • 10+1
      • 11+1
      • 12+1
      • 13+1
      • 14+1
      • 15+1
      • 16+1
      • 17+1
      • 18+1
      • 19+1
      • 20+1
      • 21+1
      • 22+1
      • 23+1
      • 24+1
      • 25+1
      • 26+1
      • 27+1
      • 28+1
      • 29+1
      • 30+1
      • 31+1
      • 32+1
      • 33+1
      • 34+1
      • 35+1
      • 36+1
      • 37+1
      • 38+1
      • 39+1
      • 40+1
      • 41+1
      • 42+1
      • 43+1
      • 44+1
    • 复杂结构铸件的射线数字成像检测系统研制与工业应用

      2025, 55(S1):113-119. DOI: 10.12044/j.issn.1007-2330.2025.S1.017

      摘要 (21) HTML (30) PDF 1.76 M (631) 评论 (0) 收藏

      摘要:为了解决结构形状复杂、厚度变化大的某大体积异形镁合金铸件射线照相检测工艺存在的检测效率低、检测质量管控难等问题,本文通过采用平面阵列探测器、小焦点固定式X射线机、多自由度C形机械系统、回转检测平台、自动上下料系统等设计,研发了一套自动射线数字成像检测系统,并进行了检测试验验证。结果表明,采用射线数字成像检测工艺和研制的检测系统可以保证检测图像质量满足国家标准规定的要求,能够精确检测出产品内部质量缺陷,大幅度提升检测效率,实现了某型号大体积复杂结构铸件的批量化快速自动射线数字成像检测。该检测方法和检测系统能有效提升产品的检测能力,为解决复杂结构铸件射线检测难题提供了可行性参考。

      • 0+1
      • 1+1
      • 2+1
      • 3+1
      • 4+1
      • 5+1
      • 6+1
      • 7+1
      • 8+1
      • 9+1
      • 10+1
      • 11+1
      • 12+1
      • 13+1
      • 14+1
      • 15+1
      • 16+1
      • 17+1
      • 18+1
      • 19+1
      • 20+1
      • 21+1
      • 22+1
      • 23+1
      • 24+1
      • 25+1
    • >工程实践
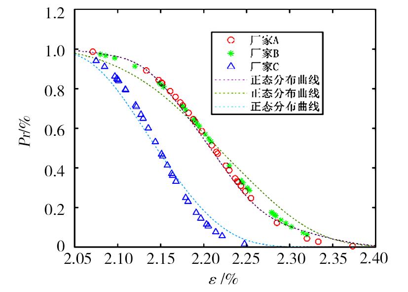
    • 国产T800级碳纤维复丝性能的B基准值计算与对比分析

      2025, 55(S1):120-126. DOI: 10.12044/j.issn.1007-2330.2025.S1.018

      摘要 (17) HTML (14) PDF 1.08 M (627) 评论 (0) 收藏

      摘要:针对复丝性能存在差异性和离散性较大的问题,本文开展了碳纤维复丝的拉伸强度、拉伸模量及断裂延伸率等基础性能测试,并采用单一环境下B基准值的推荐统计方法,对来自三家厂商的复丝性能数据进行了系统分析与评估,旨在全面表征其力学性能,为材料选型提供可靠依据。分析结果表明,三家厂商复丝的拉伸性能数据整体呈正态分布,符合统计分析的基本假设。基于B基准值计算的统计结果显示,不同厂商复丝在性能参数上存在一定差异,但均处于工程可接受范围内,具有良好的应用可靠性。B基准值作为材料性能下限的保守估计方法,能有效反映复丝性能特征,可为复合材料的选材与应用提供工程上明确的参考依据。

      • 0+1
      • 1+1
      • 2+1
      • 3+1
      • 4+1
      • 5+1
      • 6+1
      • 7+1
      • 8+1
      • 9+1
      • 10+1
      • 11+1
      • 12+1
      • 13+1

当期目录


年第卷第

文章目录

过刊浏览

年份

刊期

浏览排行

引用排行

下载排行